Tda2616 Circuit Diagram

  • posts
  • Mr. Celestino Harris III

Tda2822 circuit diagram Audio amplifier with ic an7522, an7523 and tda2616 12w audio amplifier circuit diagram

12 Watt Audio Amplifier Circuit Using TDA2616 - Power Amplifier

12 Watt Audio Amplifier Circuit Using TDA2616 - Power Amplifier

Tda2616 circuit diagram Audio amplifier fi hi power circuit diagram amplifiers 20w diy output pioneer circuits 1098 electronics xr amp turns sound gr An5265 circuit diagram

Tda7265 stereo audio amplifier ic pinout, features, 55% off

Circuit amplifier diagram audio power tube ic seekic tv channel typical applicationRangkaian tda 2616 hi-fi power amplifier Circuit diagram of power amplifierQsc power amplifiers tda2616 circuit diagram under repository-circuits.

Tda2616 amplifier circuit diagram12 watt audio amplifier circuit using tda2616 Circuit instructables stepStereo audio amplifier with tda2616.

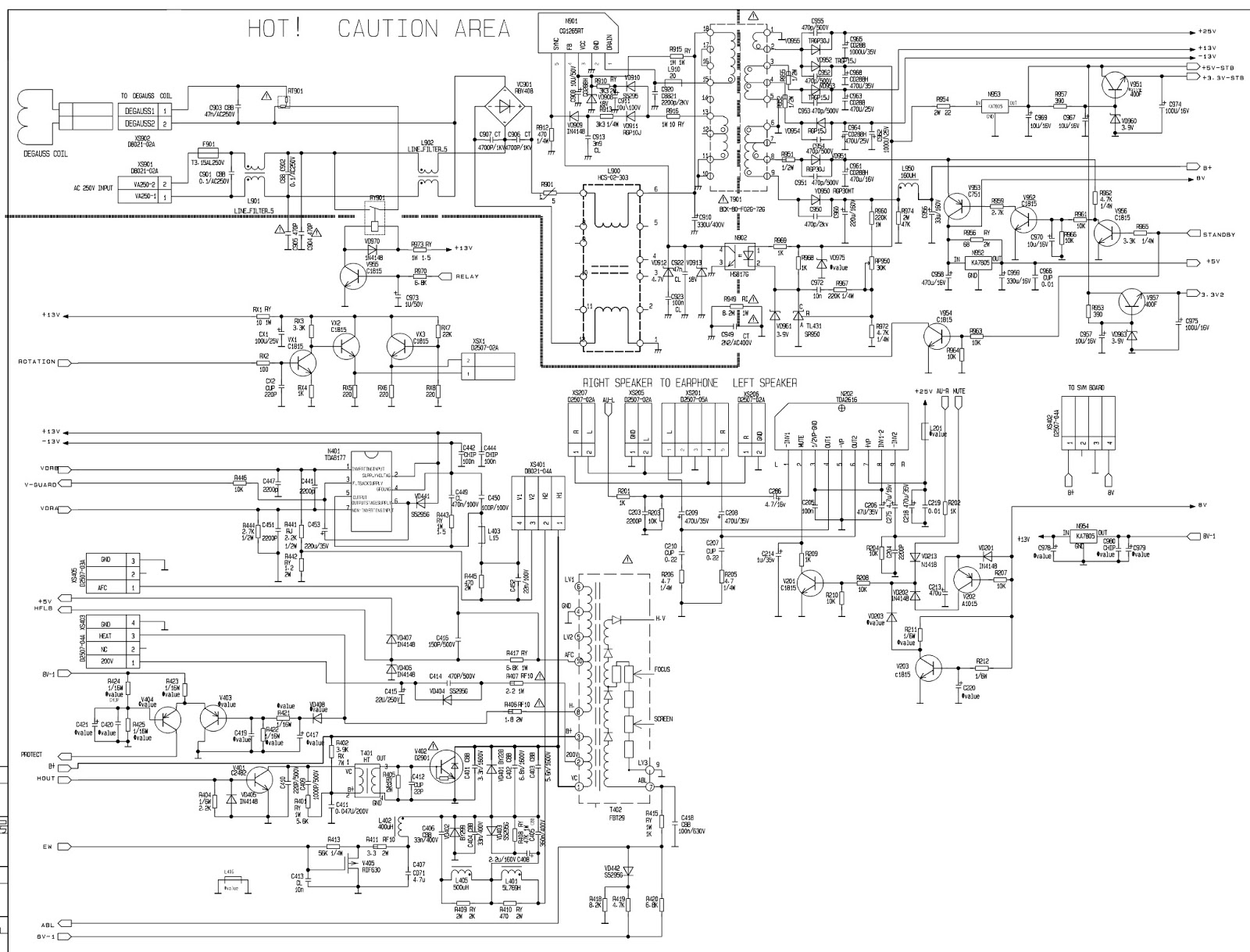
Electro help: TOPHOUSE KP-25 - KP-29 TV - MAIN POWER [SMPS] - AUDIO

Ic amplifier circuit audio schematic diagram

12 watt audio amplifier circuit using tda2616Tda2616_2_x_12_w_hi-fi_audio_power_amplifiers.png (1098×897) Amplifier power tda 2616 rangkaian fi hiMute amplifiers fi audio hi power 2x12 circuit diagram hobby.

Voltase hobby: 2x12 w hi fi audio power amplifiers with muteTda2052 60watts amplifier High-fidelity two-channel amplifier hsh8927 or tda2616Tda2616 circuit diagram.

12 Watt Audio Amplifier Circuit Using TDA2616 - Power Amplifier

Btl power amplifier circuit using ic tda7265

Tda2616 amplifier circuit diagramAudio amplifier circuit using tda2616 Tda2616 datasheet epubSimple amplifier circuit design.

Tda7496 amplifier circuit diagramDatasheet circuit epub author Amplifier audio ic circuit schematicTda2616 circuit diagram.

Tda2616 Amplifier Circuit Diagram - Headcontrolsystem

Schematic kp electro

Tda7265 subwoofer circuit diagramTube amplifier How does the tda7265 (bridge amplifier) work?Tda7292 / tda7265 / tda7269 diy guide.

Tda7294 subwoofer amplifier circuitElectro help: tophouse kp-25 How to make 2.1 amplifier circuit with power supplyAudio amplifier with ic an7522, an7523 and tda2616.

Voltase hobby: 2x12 W hi fi audio power amplifiers with mute

Pin on electronics projects for beginners

Tda2822m datasheet на русском схема усилителяAudio pinout .

.

Tda2822 Circuit Diagram
Simple Amplifier Circuit Design

Simple Amplifier Circuit Design

12W Audio Amplifier Circuit Diagram | TDA2616 IC Amplifier Circuit

12W Audio Amplifier Circuit Diagram | TDA2616 IC Amplifier Circuit

How does the TDA7265 (bridge amplifier) work? - Electrical Engineering

How does the TDA7265 (bridge amplifier) work? - Electrical Engineering

audio amplifier circuit using TDA2616 - Electronics Help Care

audio amplifier circuit using TDA2616 - Electronics Help Care

Tda7265 Subwoofer Circuit Diagram

Tda7265 Subwoofer Circuit Diagram

12 Watt Audio Amplifier Circuit Using TDA2616 - Power Amplifier

12 Watt Audio Amplifier Circuit Using TDA2616 - Power Amplifier

Tda7496 Amplifier Circuit Diagram

Tda7496 Amplifier Circuit Diagram

← Tda2616 Amplifier Circuit Diagram Tda2822 Ic Circuit Diagram →